6  FBS modeling

FBS modeling Overview

Functional-behabioral-strucutral modeling (FSB) is a way to deconstruct the hardware design work. It starts with a functional model (what the hardware should be doing), then goes to a behavioral model (what behavior should the hardware have, this part is often not expressed by engineers) and finally the structural model is derived from the behavioral model. The different models are nurturing each other.

For example for a fridge, the function will be “keep the temperature at 14 degrees”, the behavior is “cool when the temperature is above 14 degrees”, the structure will be “have a temperature sensor and a electronic device which switch cooling on when the temperature is above 14 degrees” (one could think of different structures which would have the same or similar behavior, depending on the type of structure, one may refine the function to “keep the temperature between 12 and 14 degrees”,…)

How to document models

The documentation of technical functions, which requires adopting an internal (white box) viewpoint on the product, consists in breaking down the service function into sub-functions. The decomposition process is no more solution neutral as it requires to make a decision at every indenture level. The functional decomposition requires two modelling approaches: function tree and functional graph.

Provide both an image and the editable files, as well as instruction how to use them.

This approach can be taken for functional Section 6.3 and the different types of structural models Section 6.5.

Functional tree

The functional tree is a top-down decomposition of function into sub-functions that helps to simplify the problem to solve.

The decomposition of technical functions creates a functional tree and, the technical functions are defined based on the functional requirements.

  • A top-down and bottom-up reading of the functional tree provides insight on the “how” and “why”, respectively.
  • The decomposition process should be stopped when the technical function is sufficiently detailed to reuse, make, or buy a design solution.

Tools/software:

  • Use functional modeling language for representation, such as
    • UML (Use Case diagram)
    • SysML (Block Definition, Activity, or Internal Block diagram)
    • SADT/IDEF0
    • Functional flow block diagram
  • Use open-source software for modeling the tree representation, such as:
    • draw.io (diagram.net)
    • excalidraw
    • Papyrus
    • Modelio
    • Capella

Functional graph

The functional graph is a multi-level logical articulation of technical functions. - Relationships between functions are in/out-going flows of matter, energy, or information. - Logical AND/OR gates can be used to define concurrent or sequential functions. - Articulation of technical function can describe as input-output relationships transforming flows by using the functional modeling language in the format of the graph

Tools/software:

  • Use functional modeling language for representation, such as

    • draw.io (diagram.net)

    • excalidraw

    • UML (Use Case diagram)

    • SysML (Block Definition, Activity, or Internal Block diagram)

    • SADT/IDEF0

    • Functional flow block diagram

  • Use open-source software for modeling the tree representation, such as

    • Papyrus

    • Modelio

    • Capella


Sources

Section 10.1

Functional model

A Functional model explains what the product is made for. It is:

  • A description of the functions performed by a product.
  • An opportunity to break down a product into smaller pieces (modules) that can be more easily understood.
  • At the highest level of a functional breakdown (black box view), service functions are the effects (intended by its ecosystem actors) of the interaction of the product with its environment. (See actors analysis, Section 5.8).
  • At the intermediate and lowest levels of a functional breakdown (white box view), technical functions are input-output relationships transforming matter, energy or information flows. They are expressing in a non-solution neutral way and observable from inside the product. A set of technical functions is necessary for the realization of a service function (in contrast to solution neutral expression of the capabilities, Section 5.3).

Why should you define functional model?

  • A functional model helps to break down a complicated problem into simple sub-problems.
  • A functional model helps to anticipate failures occurring when an intended effect of the product is no longer produced on its environment.
  • A function is the main input to derive the functional requirements required to define the conditions of use of the product as well as to provide objective evidences through the validation and verification activities.

How to document a functional model?

The documentation of technical functions, which requires adopting an internal (white box) viewpoint on the product, consists in breaking down the service function into sub-functions. The decomposition process is no more solution neutral as it requires to make a decision at every indenture level. The functional decomposition requires two modelling approaches: function tree and functional graph, see Section 6.2.

Example: funtional tree

Image of functional tree of XYZ cargo-ADD ONS

Example functional graph

Image of functional graph of XYZ cargo-ADD ONS The image shows the functional graph of the relationship between technical functions for maintaining food quality by ADD-ONS of XYZ cargo.


Sources

Section 10.1

Behavioral model

The model will enable the makers to understand the analysis of the physical behavior of a product, this analysis supports the decision made at the later stages of design. This analysis is most often done using simulation software, or is made unconsciously in the designer head. Having some explicit model (even when no software is used) can be very useful to share ideas between designers.

The behavior model:

  • describe the behavior of a product when it receives a stimulus.
  • could be the mathematical description of the physical product, this description may be made via a modelling software (Simulation model) that should be included in the documentation.
  • is the physical interactions between the components of a design, as well as between the design and its environment. An artifact exhibits certain behaviors not only by the change or maintaining of its physical state, but also by several interactions that take place inside the artifact, as well as with its environment.

Why should you define behavioral model?

  • The behavioral model identifies the properties for understanding the calculation, simulation, and environment of the product.
  • The behavioral model could provide the simulation of any given physical phenomenon using numerical techniques.
  • Behavior model describes how the artifact implements its function and is managed by engineering principles and physical rules that are included in a behavioral model.

How to document a behavioral model?

Documentation should indicate the type of model, variables used to define the model, software used for the simulation, and results of the simulations.

Examples

  • type of model:
    • mechanical simulation (finite element analysis (FEA) and computational fluid dynamics (CFD) are two types of mechanical simulation)
    • physical simulation
    • Thermo-mechanical simulation
    • Electronical simulations
  • variables used in the model:
    • Specification of the geometrical model (refer to editable file format in the structural model)
    • Material characteristics (refer to structural model)
    • Initial conditions such as initial stresses, temperatures, velocities.
    • Boundary conditions can be imposed on individual solution variables such as displacements or rotations.
    • Kinematic constraints that are several of the fundamental solution variables in the model (Linear constraint equations) or multi-point constraints (General multi-point constraints) can be defined.
    • Interactions that are contact and other interactions between parts can be defined.
  • (open-source) Software :
    • Open Modelica
    • ADINA

Examples

Example 1: FinEtools: Finite Element tools

Example 2: Image below shows the simulation of the torsion of the fixed part from below and its evaluation of the reality.

Image of Finite element analysis

Image of Finite element analysis GIF image of the model.


Sources

Section 10.1

Structural model

This section will give an overview of the structural model, while details are given in the specific mechanical (also called architectural, Section 6.6), electrical (Section 6.8) and software (Section 6.7) architectures sections. Note that sometimes, these different models are presented together in a single graphics.

The Structural model explains the physical structure of the product and its components, it is:

  • A description of the components (the combination of parts) of a product and their relationships.
  • An opportunity to specify the geometric elements, dimensions, topology, and other physical properties of the product.
  • The potential solutions (concepts), which are the result of the conceptual design phase.
  • The set of mechanics theories that obey physical laws required to study and predict the behavior of structures.

Why should you define structural model?

  • A structural model helps to describe the geometric elements (design feature, dimensions, constraints, etc.), topology (assembly constraint between components, tolerances, components mating conditions, etc.), and characteristics of the product.
  • A structural model helps to decide the physical form of the product and its components to ensure that the structure is fit for its intended purpose.
  • Structural model provides users with a physical model of the product, components, and characteristics of the material at the design phase that enable the stakeholder to understand the geometry, material reaction to external factors, etc.
  • The structural model ensures that the structures are safe and fulfill the functions for which they were built.

How should you define structural model?

The first level of definition is often to show how things are related together in a tree or graph, using “modeling language”, such as “SysML (Block Definition, Activity, or Internal Block diagram)” or “UML”. See Section 6.2 for more information.


Sources

Section 10.1

Mechanical architecture

The architectural structure is a physical or logical layout of the components of a system design and their internal and external connections.

  • A model specifying the kind of components and their sub-components in the format of a tree or a graph

See for information about how to document this. Provide both an image and the editable files, as well as instruction how to use them.

Examples MPS ventilator: Image of architecture of MPS ventilator {width=400}


Sources

OpenNext work project resutls: Section 10.1

Software and Firmware architecture

The software architecture represents the repository details of all the software and firmware that is necessary for reusing and running the project. Indicate how the different software depend on each other.

It might be interesting to describe the data flow and its format.

See Section 6.2 for information about how to document this. Provide both an image and the editable files, as well as instruction how to use them.

Software and Firmware details

Please provide :

  • Clear installation guide
  • Description of programming algorithm
  • The source code
  • Version of software and its dependencies (both hardware and software dependencies)

Documentation of different parts of software

Examples:

Nasa-JPL*

AmboVent*

Poppy project*


Sources

Section 10.1

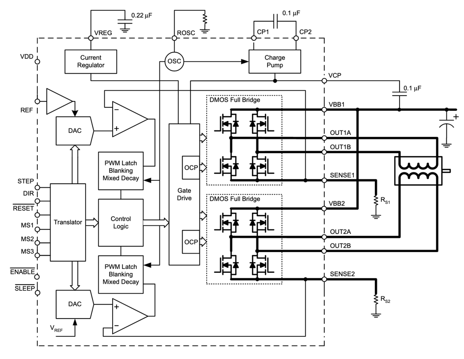
Electrical architecture

The architectural structure is a physical or logical layout of the components of a system design and their internal and external connections.

  1. What minimum documentation should the architectural structure provide?

    • A model specifying the kind of components and their sub-components in the format of a tree or a graph including
      • DC motor
      • A/D converter
      • DC converters
      • Rotor
      • Sensor system
      • Motherboard
      • kit
      • Resistor
      • Transistors
      • IC
      • Sensors
      • Etc.

See Section 6.2 for information about how to document this. Provide both an image and the editable files, as well as instruction how to use them.

example

Image of Structural graph of Open-Source-Ventilator

Sources

Section 10.1

Product design and CAD files

Computer assisted design is usually used to create structures from the models. The designs should be best provided:

  • in their raw format (Native formats, best for making changes),
  • an editable standard format (Neutral formats, interchange and export formats that can be opened or imported by other CAD programs, they usually have large restriction in what one can edit in comparison with source format),
  • AND a exported format (Auxiliary format, ready-to-view outputs, may be used for production or for study the design) used for manufacture.

For example, a fusion .f3d file in the native format, a Step file is a neutrla format and a STL file in an auxiliary format.

Always indicate what software (including version number) was used to create the native format file (see Section 3.12).

CAD files may contain different parts/modules in a single file. It is good practices to export an assemble view and an exploded view of the hardware (if the software does this). These views may be included in the BOM overview and the assembly instructions.

Ideally, your Open Source Hardware project would be designed using a free and Open Source Software application, to maximize the ability of others to view and edit it. For better or worse however, hardware design files are often created in proprietary programs and stored in proprietary formats. It is still essential to share these original design files; they constitute the original “source code” for the hardware. They are the very files that someone will need in order to contribute changes to a given design. Also try to name files with a clear name, add material specification and number of pieces, the name of the file should correspond to the name of the part in the BOM (Section 7.7).

Brief advice for object design:

  • Design the project to be easily adaptable for common differences (for example metric vs imperial units) and adaptations.
  • Make the design parametric (for example make product length and width dependent on one single parametric unit).
  • Utilize asymmetric design to make parts fit together uniquely and avoid miss-assemblies.
  • Use automation tools of the used programs
  • Use free and open-source software design (CAD) tools where possible. If that’s not feasible, try to use low-cost and/or widely-used software packages.
  • Use standard and widely-available components, materials, and production processes. Try to avoid parts that aren’t available to individual customers or processes that require expensive setup costs.

CAD for electronics, PCB design

To reuse a electrical design, it should provide information consist of:

  1. Preferable file format
  • Editable file formats that could be:
    • Source formats such as .gbr, .lib format
    • Neutral formats such as Kicad_mod, kicad_pcb
  1. Preferable open-source software
  • Tiny CAD
  • KiCAD
  • ADINA

Examples:

Nasa-JPL, neutral files, eschange format*

AmbovVent, Neutral files*

CAD for structure models

Model design should be provided in a format that can be used to manufacture each piece: usually STL and STEP file for 3D objects, and SVG file for 2D design, electrical design can be shared in the editable format directly. These formats are often easier to preview, and will help understand the structural/electrical design.

Note that the file is often not sufficient to reproduce one piece and manufacturing information must be given, as explained in Section 7.12.

Editable file format

An editable file format is a standard way that information is encoded for storage and allows the makers to study, modify the geometry of a model and reuse it.

To reuse a design model, it should provide information consist of:

  1. Preferable 3D/2D file format
  • Editable file formats that could be:
    • Native formats such as .FCStd format of FreeCAD
    • Neutral formats such as STEP files
  1. Preferable open-source software
  • OpensCAD
  • Inkscape
  • FreeCAD

Example of editable file formats:


Sources

Section 10.1, Section 10.6, Section 10.9, Section 10.10